| Sign In | Join Free | My tjskl.org.cn |
|
Place of Origin : China
Brand Name : Zhongyuan
Certification : CCS, NK, BV, ABS, DNV-GL, LR, KR, IRS, RS, RINA, Makers Test Certificate, Etc.
Model Number : Standard and Customized
MOQ : 1
Price : As per quotation
Packaging Details : Pallet or Customized
Delivery Time : As per offer
Payment Terms : TT, L/C, Etc.
Supply Ability : Satisfy clients needs
Technical Standard : GB554-2008
Materials : C-Mn Steel, Stainless Steel, also can supply special steel for icebreaker
Nominal Diameters : 100 to 800mm
Weight : 19 to 3071kg
Surface treatment : sandblasting to S2.5 + one layer of epoxy shop primer, Galvanized, Polished, customized surface treatment available.
SWL Range : SWL Range: 29KN- 981KN
Classification Certificates : CCS, NK, BV, ABS, DNV-GL, LR, KR, IRS, RS, Etc
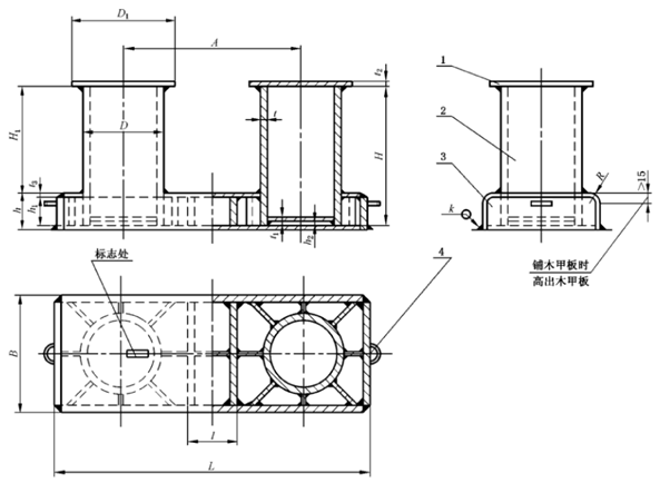
GB/T 554-2008 Type A Ship Wide Base Double Bitts Mooring Bollards Ship Mooring Equipment
Description:
GB/T 554-2008 type A bollard is an ordinary double bitts bollard with a base. We also supply other types of standard GB/T 554-96bollards: type B inserted, type C simple bollard, type D single cross bollard, type E double cross bollard. Other types of bollards such as GB/T10106-88 bollard, DIN82607-1995 bollard, CVI-bollard, dock bollards etc. are available.
Main Technical Specification:
Main Technical Parameter:
| Nominal Dia. | SWL kN | Pile Dimensions | ||||||||||||||||
| D | D1 | h1 | h2 | H | H1 | t ≥ | t1 ≥ | t2 | ||||||||||
| 100 | 29 | 114 | 145 | 40 | 6 | 196 | 150 | 10 | 6 | 7 | ||||||||
| 125 | 39 | 140 | 180 | 50 | 246 | 190 | 8 | |||||||||||
| 160 | 49 | 168 | 210 | 60 | 8 | 316 | 250 | 9 | ||||||||||
| 200 | 78 | 219 | 270 | 70 | 378 | 300 | 8 | |||||||||||
| 250 | 118 | 273 | 335 | 80 | 470 | 380 | 11 | 10 | ||||||||||
| 315 | 196 | 325 | 390 | 105 | 10 | 597 | 480 | 15 | 12 | |||||||||
| 355 | 255 | 351 | 420 | 120 | 663 | 530 | 17 | 13 | l 2 | |||||||||
| 400 | 314 | 402 | 480 | 135 | 749 | 600 | 18 | 14 | ||||||||||
| 450 | 382 | 450 | 545 | 145 | 841 | 680 | 19 | 16 | ||||||||||
| 500 | 451 | 508 | 610 | 160 | 12 | 928 | 750 | 20 | 18 | |||||||||
| 560 | 549 | 560 | 670 | 175 | 1025 | 830 | 22 | 20 | ||||||||||
| 630 | 686 | 610 | 730 | 190 | 1152 | 940 | 24 | 22 | ||||||||||
| 710 | 804 | 712 | 840 | 220 | 14 | l 291 | 1050 | 25 | 24 | |||||||||
| 800 | 981 | 813 | 940 | 255 | 1480 | 1200 | 26 | 25 | ||||||||||
| Nominal Dia. | Basment | Weight kg | ||||||||||||||||
| A | B | h ≥ | l | L | R | t3 ≥ | Stiffener | k | ||||||||||
| 100 | 250 | 165 | 50 | 70 | 415 | 15 | 6 | 6×40 | 4 | 19 | ||||||||
| 125 | 315 | 195 | 60 | 100 | 540 | 6×50 | 29 | |||||||||||
| 160 | 400 | 225 | 70 | 145 | 670 | 20 | 6×60 | 45 | ||||||||||
| 200 | 500 | 290 | 85 | 160 | 860 | 25 | 8 | 8×70 | 6 | 80 | ||||||||
| 250 | 630 | 360 | 100 | 215 | 1 065 | 30 | 10 | 10×80 | 8 | 1 41 | ||||||||
| 3 15 | 800 | 43 0 | 125 | 325 | 1300 | 35 | 12 | 12× 105 | 10 | 264 | ||||||||
| 355 | 890 | 80 | 145 | 360 | 175 | 40 | 13 | 13×l20 | 358 | |||||||||
| 400 | 1 000 | 550 | 160 | 400 | 1 630 | 45 | 14 | 14 ×135 | 499 | |||||||||
| 450 | 1 130 | 620 | 170 | 450 | 1 840 | 50 | 16 | 16×145 | 12 | 680 | ||||||||
| 500 | 1 250 | 690 | 190 | 500 | 2 040 | 55 | 1.8 | 18×l60 | 911 | |||||||||
| 560 | l 380 | 750 | 210 | 560 | 2 240 | 60 | 20 | 20×l75 | 14 | 1 208 | ||||||||
| 630 | 1 570 | 820 | 225 | 680 | 2 510 | 70 | 22 | 22×190 | 1 601 | |||||||||
| 710 | 1 750 | 960 | 260 | 710 | 2 840 | 80 | 24 | 24×220 | 16 | 2 252 | ||||||||
| 800 | 2 000 | 1 100 | 295 | 810 | 3 240 | 25 | 25 × 255 | 3 071 | ||||||||||
| reference:The mass is calculated according to the base height equal to h. | ||||||||||||||||||

Drawing of GB/T 554-2008 Type A Ship Wide Base Double Bitts Mooring Bollards Ship Mooring Equipment


|
|
GB/T 554-2008 Type A Ship Wide Base Double Bitts Mooring Bollards Ship Mooring Equipment Images |